| Status de disponibilidade: | |
|---|---|
JCQ-3(E)
O monitor do pára-raios JCQ-3E é conectado em série com o pára-raios abaixo, pode ser usado para registrar o número de vezes que uma ação do pára-raios, mas também por um dispositivo de monitoramento de corrente de fuga do pára-raios de miliamperímetro na tensão operacional.Pára-raios para 220KV e abaixo do grau, condições ambientais do local com o mesmo pára-raios conectado, não é adequado para poluição grave e local de choque severo;a folha de válvula de óxido de zinco, as propriedades elétricas são bastante aprimoradas.
1. Adequado para interior ou exterior.
2.Temperatura ambiental(-40~+40)℃。
3.A altitude não excede 2000m.
4. A frequência de energia (48 ~ 62) Hz.
5. Nenhum lugar de vibração severa.
1. Princípio elétrico
Monitor pára-raios, como placa de válvula de amostragem, silício retificador de ponte, um capacitor de alta tensão, contador eletromagnético, componentes de miliamperímetro.É o uso da corrente de descarga do pára-raios, da placa da válvula (resistor não linear), da tensão gerada pela ponte retificadora de silício, da carga no capacitor, da descarga para o contador eletromagnético, cada registro de cada vez, para alcançar registrar os tempos de ação do pára-raios.
2. Este produto usa o invólucro de aço inoxidável de alta qualidade, tem uma boa proteção contra corrosão;o desempenho de vedação é bom, não é afetado pelo ambiente externo.O elemento interno tem boas propriedades antienvelhecimento, pode ser aplicável à operação do sistema de energia.O monitor pára-raios tipo JCQ-3E usa display digital de 2 bits, o display é claro, fácil de observar;é propício para a frequência de curto prazo pelo registro completo do pára-raios.
| Técnico parâmetros | 8/20μs limite superior operativo atual | 8/20μs limite inferior operativo atual | 2ms retangular atual | 4/10μs impulso | residual tensão em nominal descarga atual |
| JCQ-3E | 10KA | 50A | 1200A | 100KA | abaixo de 2,5KV |
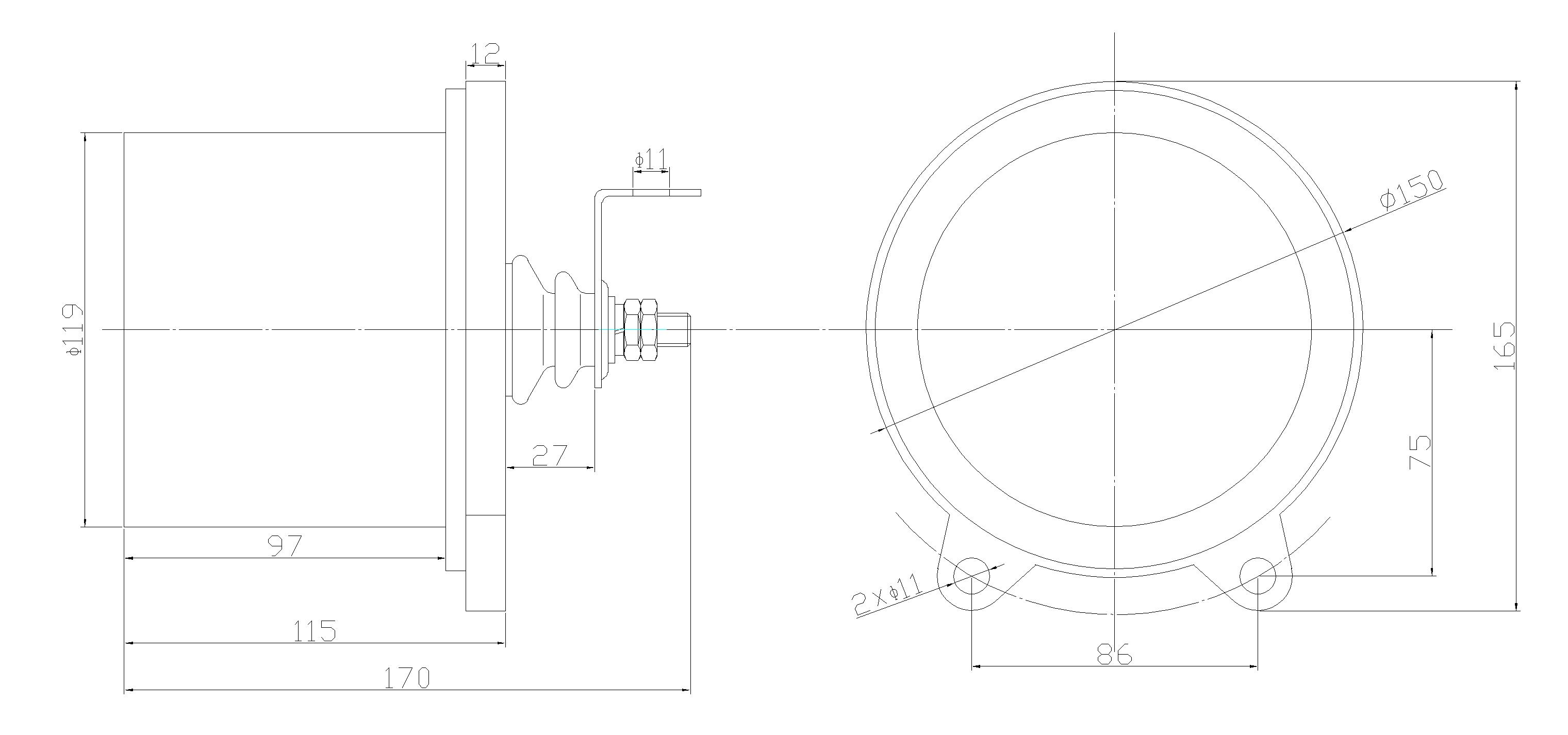
Instale um contador com referência à sua figura global.O contador deve ser conectado em série entre o pára-raios e o terra, ou seja, é conectado em paralelo com os flanges nos dois terminais do pedestal isolante de um pára-raios.Ao instalar um balcão, você deve primeiro raspar a tinta nas duas superfícies dos orifícios de fixação (Φ11) que estão no flange do balcão para garantir que estejam bem conectados.E então fixe o balcão próximo ao pedestal de um pára-raios por parafuso de M10x40, que é um local onde é fácil ser vigiado nivelado.É também como um terminal aterrado.Em seguida, conecte a extremidade do fio condutor de alta tensão ao barramento no flange superior do pedestal de isolamento de um pára-raios por parafuso Ml0x30.Verifique o balcão após terminar a instalação e não deve ser uma inclinação clara.Você deve ajustá-lo bem com referência à cláusula 4.2, caso o indicador de um contador não aponte para '0'.Então pode ser colocado em operação.Você não deve soltar a porca M10 que é pintada de vermelho e os seis parafusos de M6x20 no pedestal para evitar destruir a vedação.A dimensão geral e a posição de instalação de um contador são indicadas a seguir.
4.1) O usuário deve fazer um simples experimento pontual em um balcão antes de ser operado e após um ou dois anos de operação.
4.2) Uma forma simples de testar a característica de funcionamento de um contador: Você precisa de um megômetro para 500V e um condensador para 600V 10μF.
Procedimento de teste:
Primeiro carregue o condensador girando o megômetro.Corte o circuito de carga quando ele carregar de forma constante, desde que você mantenha o megger girando.Em seguida, faça o condensador que foi carregado descarregar bem os dois terminais da bobina do contador uma vez, para que o contador conte uma vez.Você deve continuar a fazer o experimento por dez vezes.O contador é bom se puder operar normalmente e de forma confiável todas as vezes.Caso contrário, é possível que o contador não funcione ou a sua sensibilidade seja inferior, necessitando de verificação ou reparação.
4.3) Caso seu indicador não aponte para '0' você também pode considerar o número original no contador como seu número cardinal para contagem e então somar os tempos totais de operação de um pára-raios.
O monitor do pára-raios JCQ-3E é conectado em série com o pára-raios abaixo, pode ser usado para registrar o número de vezes que uma ação do pára-raios, mas também por um dispositivo de monitoramento de corrente de fuga do pára-raios de miliamperímetro na tensão operacional.Pára-raios para 220KV e abaixo do grau, condições ambientais do local com o mesmo pára-raios conectado, não é adequado para poluição grave e local de choque severo;a folha de válvula de óxido de zinco, as propriedades elétricas são bastante aprimoradas.
1. Adequado para interior ou exterior.
2.Temperatura ambiental(-40~+40)℃。
3.A altitude não excede 2000m.
4. A frequência de energia (48 ~ 62) Hz.
5. Nenhum lugar de vibração severa.
1. Princípio elétrico
Monitor pára-raios, como placa de válvula de amostragem, silício retificador de ponte, um capacitor de alta tensão, contador eletromagnético, componentes de miliamperímetro.É o uso da corrente de descarga do pára-raios, da placa da válvula (resistor não linear), da tensão gerada pela ponte retificadora de silício, da carga no capacitor, da descarga para o contador eletromagnético, cada registro de cada vez, para alcançar registrar os tempos de ação do pára-raios.
2. Este produto usa o invólucro de aço inoxidável de alta qualidade, tem uma boa proteção contra corrosão;o desempenho de vedação é bom, não é afetado pelo ambiente externo.O elemento interno tem boas propriedades antienvelhecimento, pode ser aplicável à operação do sistema de energia.O monitor pára-raios tipo JCQ-3E usa display digital de 2 bits, o display é claro, fácil de observar;é propício para a frequência de curto prazo pelo registro completo do pára-raios.
| Técnico parâmetros | 8/20μs limite superior operativo atual | 8/20μs limite inferior operativo atual | 2ms retangular atual | 4/10μs impulso | residual tensão em nominal descarga atual |
| JCQ-3E | 10KA | 50A | 1200A | 100KA | abaixo de 2,5KV |
Instale um contador com referência à sua figura global.O contador deve ser conectado em série entre o pára-raios e o terra, ou seja, é conectado em paralelo com os flanges nos dois terminais do pedestal isolante de um pára-raios.Ao instalar um balcão, você deve primeiro raspar a tinta nas duas superfícies dos orifícios de fixação (Φ11) que estão no flange do balcão para garantir que estejam bem conectados.E então fixe o balcão próximo ao pedestal de um pára-raios por parafuso de M10x40, que é um local onde é fácil ser vigiado nivelado.É também como um terminal aterrado.Em seguida, conecte a extremidade do fio condutor de alta tensão ao barramento no flange superior do pedestal de isolamento de um pára-raios por parafuso Ml0x30.Verifique o balcão após terminar a instalação e não deve ser uma inclinação clara.Você deve ajustá-lo bem com referência à cláusula 4.2, caso o indicador de um contador não aponte para '0'.Então pode ser colocado em operação.Você não deve soltar a porca M10 que é pintada de vermelho e os seis parafusos de M6x20 no pedestal para evitar destruir a vedação.A dimensão geral e a posição de instalação de um contador são indicadas a seguir.
4.1) O usuário deve fazer um simples experimento pontual em um balcão antes de ser operado e após um ou dois anos de operação.
4.2) Uma forma simples de testar a característica de funcionamento de um contador: Você precisa de um megômetro para 500V e um condensador para 600V 10μF.
Procedimento de teste:
Primeiro carregue o condensador girando o megômetro.Corte o circuito de carga quando ele carregar de forma constante, desde que você mantenha o megger girando.Em seguida, faça o condensador que foi carregado descarregar bem os dois terminais da bobina do contador uma vez, para que o contador conte uma vez.Você deve continuar a fazer o experimento por dez vezes.O contador é bom se puder operar normalmente e de forma confiável todas as vezes.Caso contrário, é possível que o contador não funcione ou a sua sensibilidade seja inferior, necessitando de verificação ou reparação.
4.3) Caso seu indicador não aponte para '0' você também pode considerar o número original no contador como seu número cardinal para contagem e então somar os tempos totais de operação de um pára-raios.
Isoladores cerâmicos, compostos principalmente de silicato de alumina, são componentes críticos em linhas aéreas de transmissão e distribuição. Sua confiabilidade a longo prazo é desafiada por fatores ambientais que levam à degradação do desempenho. Este artigo analisa os mecanismos fundamentais de envelhecimento de isoladores cerâmicos, com foco na radiação ultravioleta (UV) e no acúmulo de poluição. Explora ainda os mais recentes avanços em tecnologias de revestimento funcional concebidas para mitigar estes efeitos, prolongando assim a vida útil e garantindo a resiliência da rede.
Durante décadas, a missão principal do pára-raios permaneceu constante: proteger equipamentos elétricos contra sobretensões transitórias, sejam elas causadas por descargas atmosféricas ou operações de comutação, fornecendo um caminho de baixa impedância para a terra e restaurando rapidamente a operação normal do sistema. Contudo, os meios para cumprir esta missão estão a sofrer uma transformação radical. Impulsionada pelas demandas das redes elétricas modernas – aumento da integração renovável, digitalização e necessidade de maior confiabilidade – a tecnologia de pára-raios está indo além de seu papel tradicional e passivo para uma era de componentes inteligentes, adaptáveis e altamente resilientes.
Chaves isoladoras, também conhecidas como chaves seccionadoras ou isoladores, são componentes fundamentais em sistemas de energia elétrica. Sua principal função é fornecer um ponto de ruptura visível para isolamento, garantindo manutenção e reparo seguros de equipamentos a jusante. Ao contrário dos disjuntores, eles não são projetados para interromper a corrente de carga ou a corrente de falha. No entanto, a sua operação confiável – abertura e fechamento sob comando – é crítica para a segurança, flexibilidade e disponibilidade do sistema.
Os fusíveis, como dispositivos de proteção passiva críticos, mas muitas vezes esquecidos, são fundamentais para a segurança elétrica. A sua operação confiável depende da integridade das superfícies isolantes e do elemento fusível. Este artigo investiga dois modos de falha predominantes: flashover de contaminação superficial e envelhecimento/degradação interna. Fornecemos uma análise técnica detalhada dos mecanismos, descrevemos técnicas de identificação avançadas e práticas e prescrevemos um protocolo de manutenção sistemático para aumentar a confiabilidade do sistema e evitar paradas inesperadas.
A transição global para redes inteligentes representa uma mudança fundamental na forma como geramos, distribuímos e consumimos energia eléctrica. Caracterizadas pelo fluxo de energia bidirecional, profunda integração de recursos energéticos distribuídos (DERs), como energia solar e eólica, infraestrutura de medição avançada (AMI) e análise de dados em tempo real, as redes inteligentes exigem uma nova geração de dispositivos de proteção. Entre estes, o humilde fusível, pedra angular da protecção eléctrica há mais de um século, está a passar por uma profunda transformação tecnológica. O futuro da tecnologia de fusíveis reside na evolução de um componente de proteção simples e sacrificial para um ativo de rede inteligente, adaptável e rico em dados.
Durante décadas, a missão principal do pára-raios permaneceu constante: proteger equipamentos elétricos contra sobretensões transitórias, sejam elas causadas por descargas atmosféricas ou operações de comutação, fornecendo um caminho de baixa impedância para a terra e restaurando rapidamente a operação normal do sistema. Contudo, os meios para cumprir esta missão estão a sofrer uma transformação radical. Impulsionada pelas demandas das redes elétricas modernas – aumento da integração renovável, digitalização e necessidade de maior confiabilidade – a tecnologia de pára-raios está indo além de seu papel tradicional e passivo para uma era de componentes inteligentes, adaptáveis e altamente resilientes.
Os pára-raios de linha de distribuição (DLSAs) servem como dispositivos de proteção críticos instalados em sistemas aéreos de distribuição de energia, normalmente classificados entre 1 kV e 38 kV. Sua principal função é proteger equipamentos elétricos, transformadores e infraestrutura contra sobretensões transitórias causadas por descargas atmosféricas, operações de comutação e outros distúrbios elétricos.
MOSCOVO, RÚSSIA – De 2 a 4 de dezembro de 2025, Zhejiang Haivo participou com sucesso na Exposição Internacional de Equipamentos de Rede Elétrica na Rússia, apresentando suas mais recentes inovações em proteção elétrica e tecnologia de distribuição de energia.
Os seccionadores fusíveis são componentes críticos em sistemas de distribuição aérea, fornecendo proteção e isolamento contra sobrecorrente. No entanto, a exposição prolongada a tensões ambientais, elétricas e mecânicas leva ao envelhecimento, o que compromete o desempenho e a confiabilidade. Este artigo examina os principais mecanismos de envelhecimento e descreve estratégias eficazes de prevenção e manutenção para prolongar a vida útil e garantir a segurança do sistema.
Os sistemas externos de plugue e tomada de alta tensão (normalmente de 1kV a 52kV) representam soluções de engenharia sofisticadas projetadas para conexões de energia seguras e confiáveis em ambientes exigentes. Esses conectores separáveis permitem distribuição flexível de energia, mantendo a integridade do sistema em redes de serviços públicos, instalações industriais e aplicações de energia renovável. Ao contrário dos equivalentes de baixa tensão, os conectores HV exigem atenção meticulosa ao controle do campo elétrico, coordenação de isolamento e proteção ambiental.
E-mail:jonsonchai@chinahaivo.com
Wechat: +86 13587716869
WhatsApp: +86 13587716869
Tel: 0086-577-62836929.
0086-577-62836926.
0086-13587716869.
0086-15957720101.